全國服務熱線:
400-816-1636
菜單

掃一掃關注公眾號
YG-RFID型創新教學實驗系統適合于支持射頻識別RFID原理與應用、射頻識別RFID技術等系列課程的實驗教學。系統包含125KHz的LF低頻模塊、13.56MHz的HF高頻模塊、915MHz的UHF超高頻模塊、13.56MHz的HF高頻原理機模塊、2.4GHz的Active RFID模塊、Cortex A8雙核多功能嵌入式網關模塊。學生通過學習相關RFID實驗,掌握低頻、高頻、超高頻及有源RFID的國際標準、原理與技術。
1、系統完整性:
a.涵蓋LF、HF、UHF、有源RFID及原理機。
b.實驗內容涉及國際標準協議分析、RFID原理及應用。
2、先進性:
a.采用模塊化設計,軟件自動掃描,即插即用,每個模塊可獨立使用。
b.包含ISO/IEC11784/11785、ISO15693、ISO14443A/B、ISO18000-3、FeliCaRFID、NFC IP-1(ISO/IEC 18092)、NFC IP-2(ISO/IEC 21481)NFC協議、EPC global UHF Class 1 Gen 2、ISO 18000-6B 、IP-X Version1.07、ISO18000-6C等協議解析。
c.高頻采用TI TRF7970A芯片支持NFC近場支付;超高頻采用IMPINJ R2000芯片,讀取準確性更好、范圍更廣,同時符合全球監管標準;原理機采用ARM+FPGA架構,完整展現RFID芯片設計。
3、開放性:
系統開放所有軟硬件設計資源。
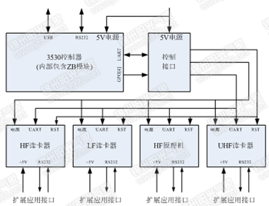
RFID創新教學實驗系統采用模塊化設計,由UHF超高頻部分、HF高頻部分、LF低頻125K部分、HF高頻原理機部分、Active RFID、嵌入式網關及通用供電通信底板等7部分組成。各個模塊可以單獨使用形成獨立的功能單元,也可以全部插接到底板形成完整的系統,系統具備智能掃描功能,可自行掃描當前接入的所有模塊。
系統框圖
![]() LF低頻部分 |
125KHz 低頻RFID讀寫器模塊,基于國際標準協議開發,采用美國ATMEL公司生產的高集成度RFID專用芯片U2270B設計而成。發射頻率為120KHz—150KHz,典型發射頻率為125KHz,采用曼徹斯特和雙相編碼。支持低功耗模式。支持6種睡眠模式:空閑模式、ADC噪聲抑制模式、省電模式、掉電模式、Standby模式、擴展的Standby模式。 |
![]() HF高頻部分 |
13.56MHz高頻RFID讀寫器模塊,采用美國TI公司最新的低功耗RF射頻芯片TRF7970A,支持ISO15693、ISO18000-3、ISO14443A/B、FeliCaRFID協議、支持NFC標準NFCIP-1(ISO/IEC 18092)和NFCIP-2(ISO/IEC 21481)。內部集成編碼器、解碼器和NFC收發器,可工作于主動及被動模式,同時具備獨立查詢模式和快速標簽識別模式,用于讀寫器快速查詢標簽,支持三種速率:106Kbps、212Kbps、424Kbps。 |
![]() UHF超高頻部分 |
UHF超高頻部分采用全球知名超高頻IC廠家Impinj(英頻杰)公司的RF收發器R2000芯片,工作頻率為840-960MHz,芯片內部集成功率放大器,輸出功率可配置(最高可配置到17dBm),同時配置外部功率放大器(最高可配置到32.5dBm),可為高性能應用提供額外功放支持。在大功率和連接大增益天線的情況下,可以穩定可靠讀取30-50米距離范圍的標簽。雙通道,雙天線配置,2個經過特別優化的高性能50Ω MMCX天一個隔離天線或者兩個一體天線。 空中協議支持EPC bal UHF Class 線端口,可配置成1 Gen 2/ISO 18000-6C、ISO 18000-6B。采用DSB、SSB與調制,支持IP-X Version1.07,支持密集讀寫器模式(DRM),可配置成其它協議。靈敏度為:-95dBm(DRM)-110dBm(LBT),采用載波消除技術,讀取速度快、范圍廣,相位噪聲低,符合全球監管標準。 |
![]() HF高頻原理機 |
HF高頻原理機采用ARM+FPGA架構,結合外部分立器件,實現完整的RFID芯片設計。工作在13.56MHz頻段,支持ISO15693、ISO14443A/B協議,全面展現了RFID芯片底層的原理,包括信號編碼、信號調制、載波、信號放大、信號解調、功率控制、邏輯控制、協議實現等,同時模塊上具有多個測試點,可以通過示波器能夠觀測到RFID讀寫器整個工作流程關鍵點的信號,包括編碼信號、載波信號、調制信號、調制載波信號、功率放大信號、解調信號等。可以觀測ISO15693標準規范下的15個強制指令和可選指令的執行情況,電子標簽的響應情況。用戶可以通過此單元掌握RFID的原理以及實現方法。 |
![]() Zigbee Active RFID |
Active RFID采用TI公司的RF芯片CC2530F256,可實現ActiveRFID的ID識別及傳感數據采集傳輸。 小型一體式模塊化設計,紐扣電池供電,可以通過上位機動態修改采集及休眠間隔,超低功耗模式,采用全球知名的微型天線廠家英國Antenova天線。通信模塊采用主流六層板及郵票孔設計,性能穩定可靠,抗干擾能力強。 模塊集成多個傳感器部件,包括溫度傳感器、濕度傳感器、光照度傳感器、三軸加速度傳感器。 |
![]() 嵌入式網關 |
嵌入式網關采用TI公司的雙核達芬奇架構微控制器OMAP3530作為主控制器,該處理器在單一的芯片上集成了600-MHz ARM Cortex-A8 Core、430-MHz TMS320C64x+ DSP Core、POWERVR SG™ 2D/3D加速引擎以及豐富的多媒體外設。 嵌入式網關底板集成主流各種無線通信模塊,包括:華為GSM/GPRS無線廣域網通信模塊、英國Antenova GPS全球定位模塊、美國TI Zigbee低功耗數據傳輸模塊、臺灣Jorjin藍牙+WIFI+FM近距離通信及網絡接入模塊。 |
| 通用供電通信底板 | 通用供電通信底板為整個RFID系統中的各個模塊提供供電,同時完成各個功能單元的通信連接,通信底板預留多個插接口,各個模塊可隨意插接,無需人為干預或編號,系統會自動識別當前所連接的各個模塊。 |
1、軟件資源
| 軟件資源 | 備注 |
|---|---|
| LF Module Package | ATA2270 PC Application、2270 API、AVR固件下載程序 |
| HF Module Package | CCS4.2開發環境、固件源碼、RFID讀卡程序、 |
| UHF Module Package | Indy_sdk、R2000例子、R2000燒寫程序及固件、Indy Tools、Indy API |
| HF 原理機Package | VHDL源碼包、M3固件源碼包、IAR For ARM 6.30、 |
| ActiveRFID Package | IAR For 51 V8.1、固件源碼包 |
| Gateway Package | WinCE6.0 BSP、kernel Image、SDK、Kernel Project |
2、實驗列表
| 實驗列表 | |
|---|---|
| 1、RFID原理機實驗 RF基本原理 實驗一:RFID編碼 實驗二:RFID系統載波產生 實驗三:RFID信號調制 實驗四:RFID末級輸出調制載波信號 實驗五:RFID調制解調----ASK模式 實驗六:RFID調制解調----FSK模式 實驗七:RFID調制解調----PSK模式 實驗八:副載波調制/解調 實驗九:RFID天線 ISO15693協議標簽操作 實驗一:ISO15693協議規定 實驗二:RFID設備信息 實驗三:RFID版本信息 實驗四:RFID模式設置 實驗五:讀卡總量指令(盤點) 實驗六:保持靜默狀態指令 實驗七:讀單個塊指令 實驗八:寫單個塊指令 實驗九:鎖塊指令 實驗十:選擇指令 實驗十一:讀多個塊指令 實驗十二:獲取標簽信息指令 實驗十三:進入就緒狀態指令 實驗十四:獲取多個塊安全狀態指令 實驗十五:寫AFI指令 實驗十六:鎖AFI指令 實驗十七:寫DSFID指令 實驗十八:鎖DSFID指令 實驗十九:固件燒寫 實驗二十:網關實驗 2、RFID低頻實驗: 實驗一:Get Revision Information 實驗二:Play Sound 實驗三:RF Field Control 實驗四:Output Enable Control 實驗五:Standby Control 實驗六:Antenna Tuning Control 實驗七:Reader/Tag Selection 實驗八:Set Write Timings 實驗九:Set Read Timings 實驗十:Tag Field 實驗十一:Set Write Mode 實驗十二:Basic Mode Write 實驗十三:Set Read Modulation Type 實驗十四:Read Sequence Start 實驗十五:Read Complete Animal ID 實驗十六:Read Simple Animal ID 實驗十七:Read Manufacturing Data 實驗十八:Write Complete Animal ID 實驗十九:Write Simple Animal ID 實驗二十:LF網關實驗 實驗二十一:板級關鍵測試點波形 實驗二十二:固件燒寫 實驗二十三:網關實驗 |
3、RFID高頻實驗: 實驗一:Inventory 命令實驗 實驗二:Stay quiet命令實驗 實驗三:Select命令實驗 實驗四:Reset to ready 命令實驗 實驗五:(寫應用標志位)Write AFI 實驗六:Lock AFI 命令實驗 實驗七:Read single block 命令實驗 實驗八:Write single block命令實驗 實驗九:Lock block命令實驗 實驗十:Read multiple block命令實驗 實驗十一:Write DSFID命令實驗 實驗十二:Lock DSFID命令實驗 實驗十三:Get system information命令實驗 實驗十四:Get multiple block security status命令實驗 實驗十五:RC循環冗余實驗 實驗十六:SO15693防沖撞原理 實驗十七:HF網關實驗 實驗十八:固件下載 實驗十九:網關實驗 4、RFID超高頻實驗: 實驗一:Select命令及應答 實驗二:Read命令及應答 實驗三:Write命令及應答 實驗四:Kill命令及應答 實驗五:Lock命令及應答 實驗六:BlockWrite命令及應答 實驗七:BlockErase命令及應答 實驗八:單個標簽應答實驗 實驗九:多標簽應答實驗 實驗十:標簽訪問(讀寫操作等)實驗 實驗十一:CRC-16編碼解碼實驗 實驗十二:標簽錯誤應答實驗 實驗十三:UHF槽計數器 實驗十四:UHF數據流交換 實驗十五:固件下載 實驗十六:網關實驗 5、Active RFID實驗 實驗一:ACTIVE RFID串口通信實驗 實驗二:ACTIVE RFID無線收發實驗 實驗三:ACTIVE RFID傳感數據采集實驗 實驗四:網關實驗 6、綜合實訓實驗 實驗一:DLL應用實例實驗 實驗二:低頻ID卡實例實驗 實驗三:ISO15693/ISO14443實例實驗 實驗四:ISO18000-6C實例實驗 7、RFID應用方案及演示 實驗一:基于ACTIVE RFID精準物流系統 實驗二:基于高頻RFID職工考勤管理系統 實驗三:基于超高頻RFID職工管理考勤管理系統 實驗四:圖書館管理系統 |